วันจันทร์ที่ 17 กันยายน พ.ศ. 2555

วงจรกำเนิดสัญญาณนาฬิกา

                วงจรกำเนิดสัญญาณนาฬิกา เป็นวงจรที่กำเนิดสัญญาณที่มีความต่อเนื่องและมีคาบเวลาคงที่ทั้งที่เป็นพัลส์บวกและพัลส์ลบ การสร้างวงจรกำเนิดสัญญาณนาฬิกาสามารถสร้างได้โดยใช้ลอจิกเกตรวมทั้งใช้ไอซีเบอร์ 555  
                 หลักในการกำเนิดสัญญาณจะใช้หลักการเก็บและการคายประจุของตัวเก็บประจุที่ต่อร่วมกับตัวต้านทานเป็นตัวกำหนดค่าคาบเวลาและความถี่ของสัญญาณ
1 วงจรกำเนิดสัญญาณนาฬิกาที่สร้างจากลอจิกเกต
                จากรูปที่ 1  เป็นวงจรกำเนิดสัญญาณนาฬิกาที่สร้างจาก น๊อตเกต 2  ตัว ตัวต้านทาน 1 ตัว และตัวเก็บประจุ 1  ตัว มีเอาต์พุต 2  เอาต์พุต คือเอาต์พุต Q  และclip_image001 ซึ่งจะมีสภาวะตรงกันข้ามเสมอ ตัวต้านทาน R จะมีค่าประมาณ 150 โอห์ม ถึง 330 โอห์ม ส่วนตัวเก็บประจุจะทำหน้าที่ป้อนกลับ เพื่อทำให้เกิดการออสซิลเลตขึ้น
clip_image002
รูปที่ 1  วงจรกำเนิดสัญญาณนาฬิกาที่สร้างจากน๊อตเกต
clip_image003
รูปที่ 2 สัญญาณที่จุด 1  และเอาต์พุต
จากรูปที่ 2 การคิดค่าคาบเวลา และความถี่ของสัญญาณที่เอาต์พุตของวงจรโดยประมาณ จะได้ค่า ดังสมการต่อไปนี้
คาบเวลา ( t )     =    3 RC
ความถี่ ( f )     =  clip_image004
สัญญาณที่เอาต์พุตของวงจรตามรูปที่ 2  จะเป็นรูปสัญญาณในอุดมคติ ในทางปฏิบัติสัญญาณที่ได้จะมีขอบมนเล็กน้อย เกิดจากการเก็บประจุและการคายประจุของตัวเก็บประจุ ซึ่งถ้าต้องการปรับรูปร่างของสัญญาณให้มีความคม และเป็นสัญญาณรูปเหลี่ยมที่สมบูรณ์ ก็สามารถทำได้โดยใช้วงจรในรูป 3  และ 4
รูปที่ 3 วงจรกำเนิดสัญญาณนาฬิกาที่สร้างจากแนนด์เกต
clip_image005
รูปที่ 4  วงจรกำเนิดสัญญาณนาฬิกาที่สร้างจากนอร์เกต
clip_image006

2 วงจรกำเนิดสัญญาณนาฬิกาที่สร้างจากไอซี 555
ไอซี 555  เป็นไอซีที่สามารถนำมาสร้างเป็นวงจรกำเนิดสัญญาณนาฬิกา สาเหตุที่เรียกไอซีตัวนี้ว่า ไอซี 555  ก็เนื่องมาจากการใช้ตัวต้านทานค่า 5 k  จำนวน 3  ตัวต่อเป็นวงจรแบ่งแรงดันระหว่าง Vcc กับกราวด์ เพื่อสร้างเป็นแรงดันอ้างอิงให้กับตัวเปรียบเทียบแรงดันภายในไอซี นั่นคือถ้าแรงดัน Vccมีค่าเท่ากับ 9 V แรงดันที่ตกคร่อมตัวต้านทานแต่ละตัวจะมีค่าเท่ากับ 3 V แสดงโครงสร้างภายในของไอซี 555 ดังรูปที่ 14.5
clip_image001
รูปที่ 5 โครงสร้างภายในของไอซี 555
2.1  วงจรกำเนิดสัญญาณนาฬิกาที่สร้างจากไอซี 555
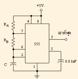
จากรูปที่ 6  เป็นวงจรการใช้งานไอซี 555  เพื่อทำหน้าที่กำเนิดสัญญาณนาฬิกา มีตัวต้านทาน RA , RB และตัวเก็บประจุ C เป็นตัวกำหนดคาบเวลาและความถี่ของสัญญาณนาฬิกา
clip_image002
รูปที่ 6 แสดงวงจรกำเนิดสัญญาณนาฬิกาโดยใช้ไอซี 555
2.2  การคำนวณหาค่าช่วงเวลา ความถี่ และดิวตี้ไซเกิลของไอซี 555
การคำนวณหาค่าช่วงเวลา tL และ tH ของวงจรกำเนิดสัญญาณนาฬิกาที่ใช้ไอซี 555 สามารถสรุปได้ดังนี้
จากรูปที่ 6  ซึ่งเป็นวงจรกำเนิดสัญญาณนาฬิกาเบื้องต้น โดยใช้ไอซี 555 สามารถคำนวณหาค่าต่างๆได้ดังนี้
ค่าคาบเวลา tH            =       0.693 (RA+RB)C
ค่าคาบเวลา tL             =       0.693 RBC
                                            T       =       tH  +  tL      =       0.693 (RA+2RB)C
ความถี่ (F)         =     clip_image003
 
ความถี่   =   clip_image004[4]
 
Duty Cycle        = clip_image005[6]
ตัวอย่างที่ 1     จากวงจรในรูปที่ 7 จงคำนวณหาค่า tL , tH , Duty Cycle และความถี่ของสัญญาณ
กำหนดให้ RA = 4.7 k  , RB = 10 k  ,  C  =  680 pF
clip_image006[6]
รูปที่ 7 วงจรตัวอย่างที่ 1
วิธีทำ
                                           tL      =       0.693 RBC
                                                   =       0.693(10x103x680x10-12)
                                                   =       4.71  mS
                                           tH      =       0.693 (RA+RB)C
                                                   =       0.693(4.7x103+10x103)680x10-12
                                                    =       6.93 mS
                              Duty Cycle        =  clip_image007
 
=      clip_image008

=       40.4   %                                                                                               
ความถี่ =   clip_image009
                                                       =    clip_image010
                                                       =       85.9 kHz
              เมื่อพิจารณาสมการของ tL และ tH จะพบว่าค่าของช่วงเวลา tH จะต้องมากกว่า tL เสมอ เนื่องจากช่วงเวลาในการเก็บประจุของตัวเก็บประจุ กระแสจะไหลผ่านตัวต้านทาน 2 ตัวคือ RA และ RB แต่ในช่วงเวลาของการคายประจุ จะคายประจุผ่านตัวต้านทานเพียงตัวเดียวคือ RB ดังนั้นสัญญาณที่ได้จากวงจรจึงไม่สามารถทำให้มีค่าเปอร์เซ็นต์ Duty Cycle เท่ากับ 50 เปอร์เซ็นต์ได้ นั่นก็หมายความว่าวงจรในลักษณะนี้ไม่สามารถกำเนิดสัญญาณรูปสี่เหลี่ยมได้ แต่ถ้าต้องการให้วงจรกำเนิดสัญญาณนาฬิกาที่ใช้ไอซี 555 สร้างสัญญาณ รูปสี่เหลี่ยมก็สามารถปรับเปลี่ยนรูปแบบของวงจร โดยการกำหนดให้ตัวต้านทาน RA และ RB มีค่าเท่ากัน แล้วต่อไดโอดขนานกับตัวต้านทาน RB เพื่อทำให้ในจังหวะของการเก็บประจุ กระแสจากแหล่งจ่ายจะไหลผ่าน RA ผ่านไดโอด ไปยังตัวเก็บประจุ และในจังหวะของการคายประจุ ตัวเก็บประจุก็จะคายประจุผ่านตัวต้านทาน RB ซึ่งกำหนดให้มีค่าเท่ากับ RA ดังนั้นจึงทำให้ช่วงเวลาของ tL และ tH      จะมีค่าเท่ากัน แสดงวงจรดังรูปที่ 8
clip_image011
รูปที่ 8 วงจรสร้างสัญญาณนาฬิกาที่มีค่า Duty Cycle เท่ากับ 50 %


ไม่มีความคิดเห็น:

แสดงความคิดเห็น